Introduction.

As hitherto, the output of a 1,000 c/s oscillator is connected to the GTS distribution circuits, the output of the oscillator being normally attenuated below audibility level; this attenuation is automatically removed when the time signals or 'pips' are applied to the line by the observatory chronometers.
Abinger
Near Leith Hill in Surrey a house called
"The Old Observatory" was an outpost of the Royal Greenwich Observatory from 1924
until 1957.
The Rectifier-attenuator.
The controlling circuit comprises a rectifier-attenuator or static relay, consisting of a number of metal rectifiers, the impedance of which varies with the amount and direction of the current flowing through them. The principle employed is to apply a standing voltage to the rectifiers, such voltage when operated in one sense, causing the circuit to have a high loss characteristic; if the sense of the standing voltage is reversed, the circuit has low loss and becomes conductive. With the GTS panel circuit, a standing voltage of -70V. is applied to line at the Observatory, producing a current of approximately 20 milliamps, and causing the rectifiers at the BBC end to attenuate the output of the GTS oscillator from 0db. to approximately -70db. When the time signals are transmitted, the standing voltage is reversed to +70V., thus removing the loss. Hence, for the duration of the pips, the full output of the oscillator is applied to the distribution point, from which it can be switched to any programme network.
The reason for using this type of switching is that, having no moving parts, it is almost instantaneous in action, and therefore reduces timing errors which would inevitably be introduced by the orthodox electro-mechanical relay; furthermore, the physical construction of the circuit is greatly simplified.
Operating Condition for Rectifier-attenuators.
The operating conditions for the rectifiers used as attenuators are important, both as regards current and voltage. Type W1 has a maximum current capacity of 3mA when conducting, and a maximum working voltage of -5V. in the non-conducting condition. Type SH/1A has a maximum current capacity of 10mA, the maximum back-voltage being slightly less than that for type W1.
The important difference between the two types is that the impedance of type SH/1A in the non-conducting condition is not high enough to produce the required loss in the circuit, whereas the very high impedance of type W1 permits the connection of three rectifiers in parallel, which not only gives the required loss but permits a total current of 6mA to be passed through the circuit.
Circuit Description.
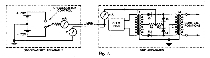
Basic Circuit. Fig. i.

The circuit is worked on earth return, the two legs of the line being shorted at the BBC end.
When -70V. D.C. is applied to the P.O. line, the point C on the output transformer of the GTS panel, which is earthed, will be positive with respect to line; under these conditions, the rectifiers D3 and D4 have low impedance and a current flows through the rectifiers D3, D4 out to line in the direction of the arrow. This current passes through R2, and the voltage drop across R2 is applied to D1, D2 through R1 as a back e.m.f. causing D1 and D2 to offer a high impedance path to the output of T1 which, with the effective short across the output provided by D3 and D4, cuts down the level from zero to -70db.
When the observatory transmits time signals, the standing voltage is changed to +70V., current passes through D1, D2, which now present low impedance to T1, permitting the normal oscillator output level to be passed to the control positions. D3 and D4 are now non-conductive because of the back e.m.f. produced across R1.
At the Observatory a central-zero milliameter is connected in the line which serves (a) to facilitate adjustment by the Observatory engineers of the line current to its normal value of 20mA ±3mA, (b) to indicate, by a steady current of that value, the continuity of the line and BBC equipment, and (c) to indicate, by momentary reversals of the current, that the Time Signals are being correctly transmitted. There is also a voltmeter at the Observatory which is connected via the second leg of the P.O . circuit to the BBC end of the current-carrying line. The purpose of this is to provide the Observatory engineers with an indication that the voltage which they are applying to the line is actually reaching the BBC, so that in the event of our reporting a fault they will know immediately whether the fault is on the P.O. line.
At the BBC end a milliameter is connected in the current-carrying line as shown. This provides a check that the current being provided by the Observatory is within the limits specified. It should be noted that, unlike the Observatory milliameter, the BBC meter does not register the 1mA current taken by the Observatory voltmeter.
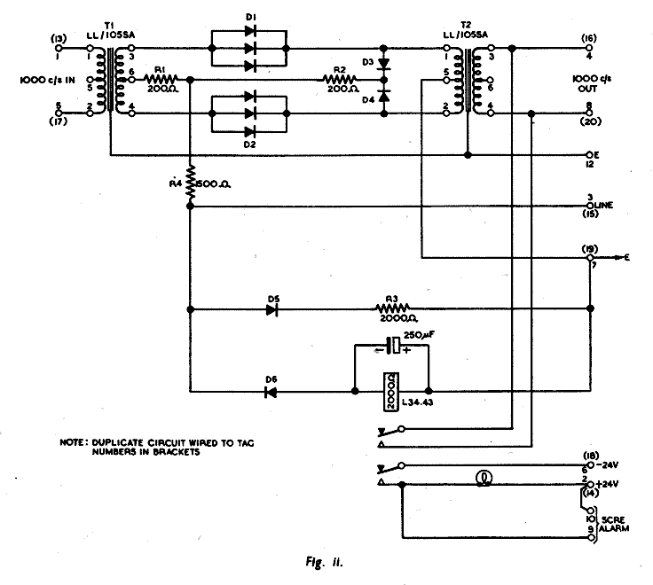
Panel Circuit. Fig. ii.

This requires but little additional explanation, since the application of the basic circuit is at once obvious.
The rectifiers D1, D2 are each made up of three Westectors, type W1, connected in parallel, to carry a current of 6mA maximum in each half of the circuit and to obtain the required attenuation in the non-conductive condition. The resistors R1, R2 are included to provide the required reverse voltage across the respective rectifiers in the high impedance condition, as indicated above.
With a line current of 18mA the division is 8mA through the alarm relay, which gives an operating voltage of 16V., and 10 mA through the static relay, which through 200? gives a reverse voltage for the rectifiers of 2V.
The value of R4 is fixed to ensure the correct division of total line current between the operating circuit and the subsidiary alarm circuit.
Alarm Circuits.
A red-lamp alarm indicator is fitted to the panel, the lamp being switched, on automatically when the line voltage fails, or in the event of a standing volt age of +70V. being applied to line.
Under normal conditions (-70V. to line) the L34.43 relay is energised by a portion of the line current, approximately 8mA, the rectifier D6 being connected so as to be conductive. When the line voltage is reversed, D6 is non-conductive and the current path is through D5. The resistance of R3 is equivalent to that of the relay winding to maintain the same current and voltage relationships for both -70V. and +70V. If the +70V. is applied momentarily, as when GTS is transmitted to line, the relay does not release because of the charge on the large capacitor across the winding. If, however, +70V. is applied for a period extending beyond the time taken for the voltage across the capacitor to fall to the value at which the relay will de-operate (roughly 0.4 sec.), then the relay will break, causing the indicator lamp to light, and at the same time short-circuiting the output of the panel at T2 to prevent a permanent 1,000 c/s being sent to the control positions.
In addition, the alarm circuits serve as an indication of line failure, for if the line breaks, the relay energising supply will be interrupted. In this case, there would be no reading on the milliameter.
The alarm circuits for the source in use are extended to the S.C.R.E.'s desk, where a buzzer provides an audible alarm in addition to the visual indicator.

